Zum Hauptinhalt springen Zur Suche springen Zur Hauptnavigation springen

Produktinformationen "Teleskop Absaugarm mit Drosselklappe Ø 160mm x 1.8 – 2.6m Reichweite"

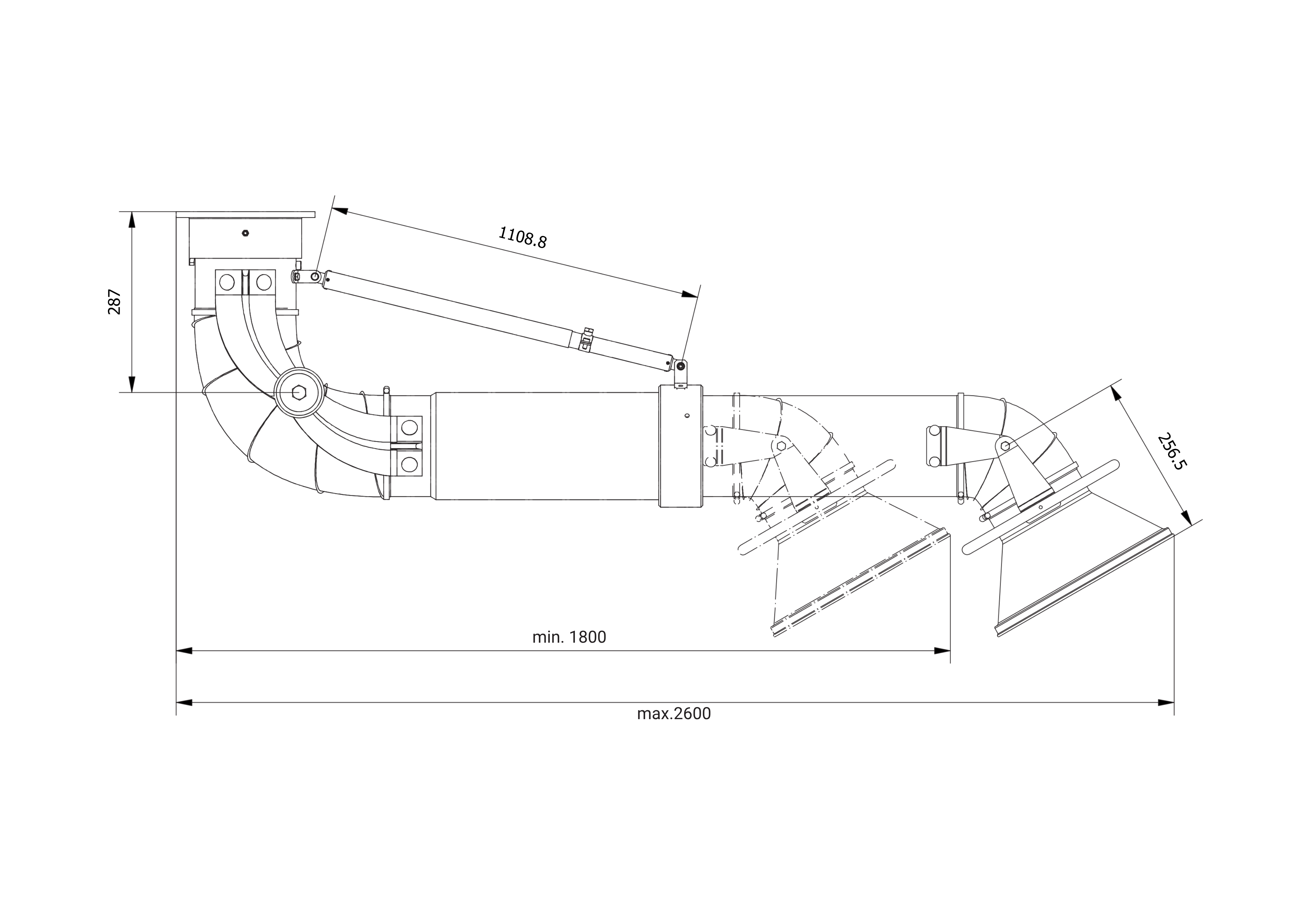
Teleskop-Absaugarm Ø 160 mm mit Drosselklappe – Reichweite 1.8–2.6 m, Saughaube Ø 315 mm

Die längste Teleskopvariante für große Arbeitsradien bei kompakter Einbautiefe. Glatte Rohre reduzieren Druckverlust, außenliegende Gelenke erleichtern die Wartung und halten Verschmutzungen von der Mechanik fern.

Vorteile

Maximale Flexibilität im Nahbereich, stabile Positionierung und direkte Luftmengenregelung an der Haube – ideal für Fertigungslinien und variable Werkstückgrößen.

Technische Daten (erweitert)
BauformTeleskop-Absaugarm, hängende Montage
Rohr-Nennmaߨ 160 mm
Reichweite1.8–2.6 m (teleskopierbar)
SaughaubeØ 315 mm, gedämpfte Haube mit Rundum-Griff
Drosselklappeintegriert
Empfohlener Volumenstrom900–1400 m³/h
Schläuche/TemperaturPVC, bis 80 °C
Einsatzbereiche

Große Werkbänke, Nachbearbeitung und Ausbildungsplätze mit wechselnden Arbeitsabständen.

Montage & Hinweise

Montage an Konsole/Decke; Anschluss an das Rohrsystem über Rohrverbindungen. Radien großzügig planen und die Haube stets nahe an der Emissionsquelle führen.

Kompatibilität & Zubehör

WS/WSD Ø 160 mm, KROC-160; optional Absperrschieber für Strangtrennung sowie Montagematerial.

Beratung

Wir unterstützen bei Statik, Lastabtragung und Anbindung an bestehende Netze.

FAQ – Häufige Fragen
Reicht die Luftmenge für 2.6 m Reichweite?

Ja, im Bereich 900–1400 m³/h laut Empfehlung. Bei langen Leitungen und vielen Bögen den höheren Bereich wählen.

Wie nah soll die Haube an die Quelle?

So nah wie möglich (wenige Zentimeter), um den Einfangradius zu maximieren.

Ist die Mechanik staubexponiert?

Nein, die Justageelemente liegen außen; das reduziert Verschleiß und vereinfacht die Wartung.

Sie haben Fragen?
Rufen Sie uns gerne an.

+41 41 787 08 52 info@absaugtechnik.ch