Zum Hauptinhalt springen Zur Suche springen Zur Hauptnavigation springen

Produktinformationen "Absaugarm mit Drosselklappe hängend (Rohr-Ø 200mm, Reichweite 2m, Saughaube 350mm)"

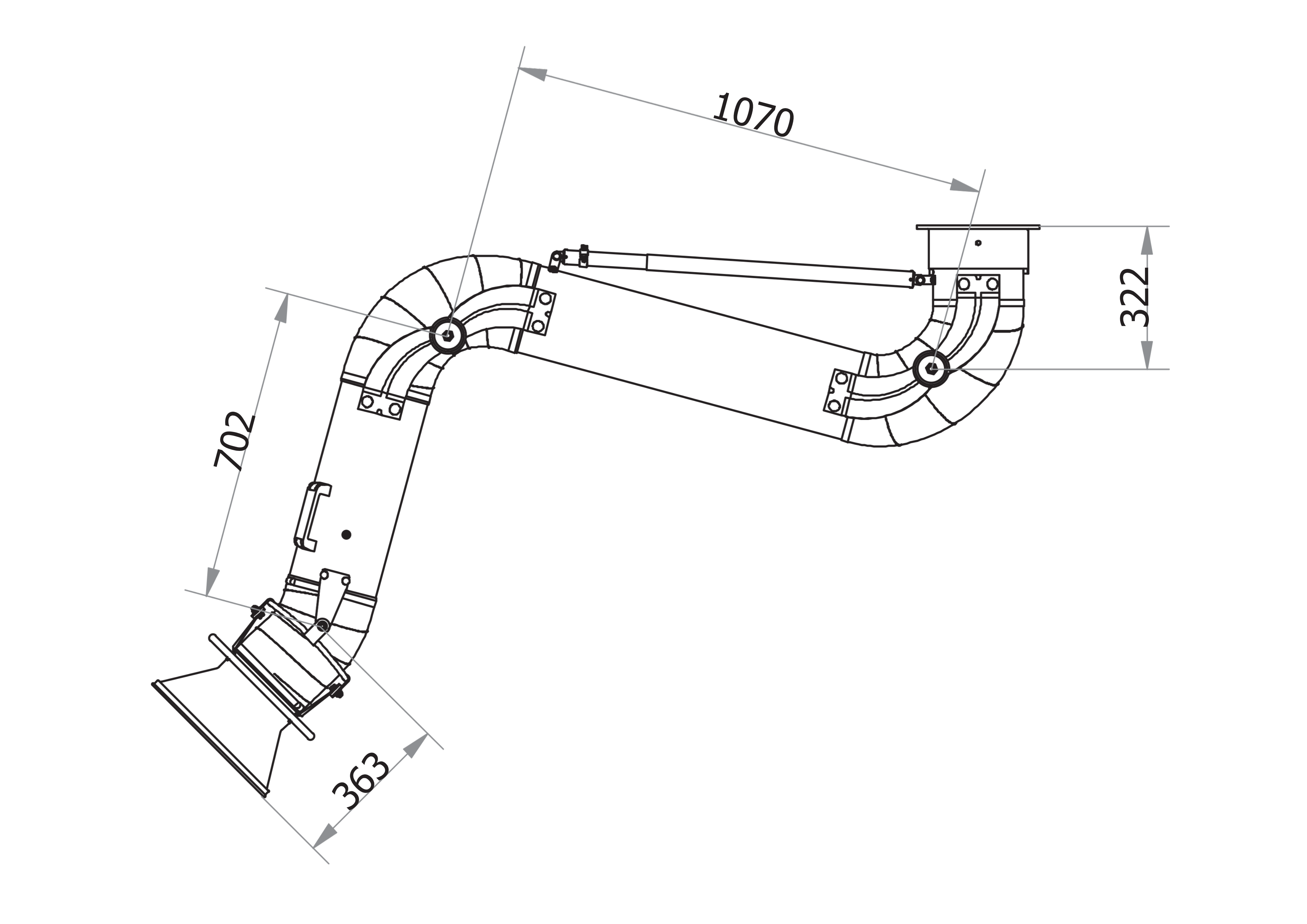
Absaugarm mit Drosselklappe – hängend, Reichweite 2 m (Rohr-Ø 200 mm, Saughaube Ø 350 mm)

Selbsttragender Punktabsaugarm für hohe Luftleistungen. Glatte Rohrsegmente senken den Druckverlust, außenliegende Gelenke ermöglichen präzise, leichtgängige Verstellungen. Die integrierte Drosselklappe regelt die Luftmenge direkt an der Haube.

Vorteile

Leiser, strömungsgünstiger Betrieb; stabile Positionierung und robuste Industriequalität – ideal für Schweiß- und Schleifarbeitsplätze.

Technische Daten (erweitert)
BauformSelbsttragender Absaugarm, hängend
Rohr-Ø200 mm
Reichweite2 m
SaughaubeØ 350 mm, Rundum-Griff, Einlass-Sieb
Drosselklappeintegriert
Empf. Volumenstrom1400–2100 m³/h
Schläuche/Temp.PVC, bis 80 °C
Einsatzbereiche

Punktabsaugung an Schweiß-, Schleif- und Nachbearbeitungsplätzen mit kompaktem Arbeitsradius.

Montage & Hinweise

Hängemontage an Konsole/Decke; Anschluss an verzinkte Rohrsysteme über passende Rohrverbindungen. Haube stets wenige Zentimeter vor die Emissionsquelle führen.

Kompatibilität & Zubehör

Wandhalterung WS-200, Anschlussflansch KROC-200; kombinierbar mit Absperrschiebern.

Beratung

Wir unterstützen bei Dimensionierung, Aufhängung und strömungsgünstiger Leitungsführung.

FAQ – Häufige Fragen
Ist die Drosselklappe serienmäßig?

Ja, sie ist integriert und erlaubt die Feinregelung am Arbeitsplatz.

Welche Luftmenge ist ideal?

Je nach Prozess 1400–2100 m³/h; bei längeren Leitungen die obere Bandbreite wählen.

Wie erfolgt der Systemanschluss?

Über KROC-200 an das Rohrnetz; die Verbindung erfolgt mit geeigneten Rohrverbindern.

Sie haben Fragen?
Rufen Sie uns gerne an.

+41 41 787 08 52 info@absaugtechnik.ch