Zum Hauptinhalt springen Zur Suche springen Zur Hauptnavigation springen

Produktinformationen "Absaugarm hängend mit Edelstahl-Innenverbindungen Ø 200mm x 2m Reichweite"

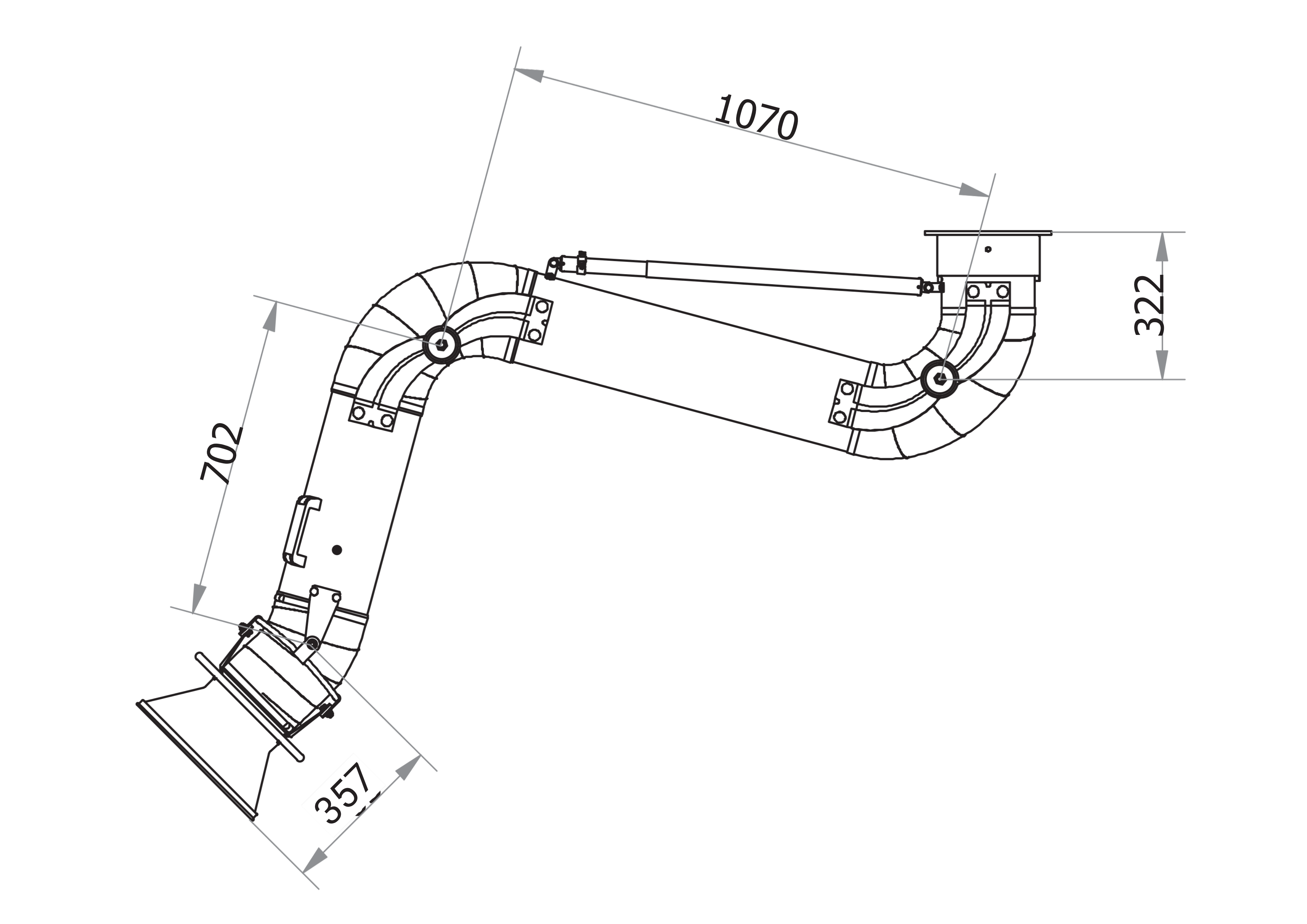
Absaugarm hängend – Edelstahl-Innenverbindungen, Reichweite 2 m (Rohr-Ø 200 mm, Saughaube Ø 350 mm)

Hygienische 200-mm-Ausführung für anspruchsvolle Arbeitsplätze. Innenverbindungen bestehen aus Edelstahl und sind korrosionsbeständig sowie reinigungsfreundlich. Die leichtgängige Kinematik hält die Haube stabil direkt an der Emissionsquelle.

Vorteile

Hohe Erfassungseffizienz durch große Ø 350 mm-Haube, robuste Industriequalität und reinigungsfreundliche Edelstahl-Innenkomponenten für dauerhaft hygienische Prozesse.

Technische Daten (erweitert)
BauformSelbsttragender Absaugarm, hängende Montage
Rohr-Ø200 mm
Reichweite2 m
SaughaubeØ 350 mm, Rundum-Griff, Einlass-Sieb
InnenkomponentenEdelstahl-Innenverbindungen
Empf. Volumenstromca. 2 000–3 000 m³/h (prozessabhängig)
Einsatzbereiche

Lebensmittel- und Pharmaproduktion, Labor, feuchte oder leicht korrosive Anwendungen mit hohen Hygieneanforderungen.

Montage & Hinweise

Aufhängung an tragfähiger Konsole; strömungsgünstige Anbindung an das verzinkte Rohrsystem über passende Rohrverbindungen. Haube wenige Zentimeter vor der Quelle positionieren.

Kompatibilität & Zubehör

Kombinierbar mit Absperrschiebern und geeignetem Montagematerial.

Beratung

Wir unterstützen bei Auslegung, Materialwahl und hygienegerechter Integration in Ihr Rohrnetz.

FAQ – Häufige Fragen
Warum Edelstahl im Inneren?

Für hohe Korrosionsbeständigkeit, Langlebigkeit und einfache Reinigung in sensiblen Bereichen.

Wie nahe an die Quelle?

So nahe wie möglich (wenige Zentimeter), damit der Einfanggrad steigt und die nötige Luftmenge sinkt.

Ist eine Drosselklappe integrierbar?

Ja, optional am Arm oder anlagenseitig; wir beraten zur passenden Lösung.

Sie haben Fragen?
Rufen Sie uns gerne an.

+41 41 787 08 52 info@absaugtechnik.ch